Институт промышленной автоматизации (ИПА)
Тестовый сервер
   

Все акции и скидки

Все события и отзывы

Все события и отзывы. Институт промышленной автоматизации.

Приглашаем на новый курс по моделированию в Siemens SIMIT

17 августа 2017

26 ноября 2017 наш институт запускает обучение по новому курсу "Моделирование для систем автоматизации на основе Siemens SIMIT". Курс включает множество практических занятий. Преподаватели курса обладают практическим опытом разработки множества сложных моделей.

Платформа имитационного моделирования SIMIT обеспечивает необходимые средства проверки: от простого теста на прохождение сигналов от датчиков, тестов компонентов оборудования (задвижек, агрегатов, установок) до тестов полного производства (конвейеров, цехов, предприятий), что позволяет улучшать качество программного обеспечения и повышать квалификацию персонала за счет применения моделей без угрозы для реального объекта управления.

Курс подходит как для компаний-интеграторов, занимающихся разработкой автоматизированных комплексов, так и для компаний, применяющих автоматизацию технологических процессов в рамках своего производства.

Структурная схема типового имитатора

Назначение:
  • Имитация всех физических параметров (давление, температура, обороты, мощность и т.д.);
  • Имитация элементов управления оператора – кнопки, переключатели и т.д. (с использованием визуализации);
  • Имитация основных объектов установки (емкости, задвижки, трубопроводы, датчики, насосы, двигатели и т.д.);
  • Технологический отклик на воздействие системы автоматики (контроллера) на технологический процесс.
Области применения:
  • Создание виртуальной копии технологического оборудования;
  • Автономная отладка программного обеспечения ПЛК и АРМ;
  • Проведение заводских испытаний (виртуальные ПНР);
  • Создание тренажеров операторов – изучение элементов управления на виртуальной установке, отработка навыков устранения аварийных ситуаций по заложенному сценарию;
Состав стенда:
  • ПК с предустановленным программным обеспечением: среда моделирования SIMIT, виртуальный контроллер PLCSIM, ПО интерфейса оператора - мнемосхема;
  • Модуль имитации промышленной сети SIMULATION UNIT;
  • Контроллер S7-400H.
Характеристики:
  • более 100 модельных примитивов;
  • время реакции модели 0,2 с;
  • имитация нескольких сетей PROFIBUS по 128 устройств в каждой с использованием SIMULATION UNIT;
  • до 8 одновременно работающих имитаторов контроллеров PLCSIM.

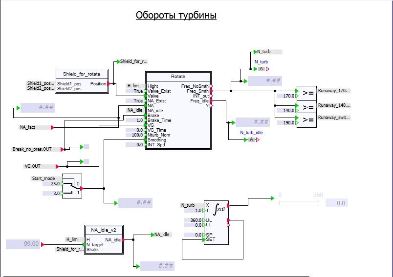
Примеры технологической модели в SIMIT

Математическая модель


Виртуальные элементы управления с визуализацией


Объекты автоматизации


Технологические объекты


Математическая модель трубопровода


График


Имитируемые параметры


Рассматриваемый в курсе технологический процесс – установка розлива масла

АРМ оператора




Контакты
443020, г. Самара,
ул. Галактионовская, 7, оф. 405
Тел./факс: +7 846 215-83-84
E-mail: edu@sms-a.ru

Полное расписание

20.04.26 Контроллеры SIMATIC S7-300/400. Базовый курс

04.05.26 Человеко-машинный интерфейс WinCC. Базовый курс

18.05.26 REGUL. Контроллеры. Базовый курс

25.05.26 TIA Portal. Контроллеры SIMATIC S7-1200/1500. Базовый курс

29.06.26 Человеко-машинный интерфейс на пролуктах Альфа платформы

06.07.26 REGUL. Контроллеры. Базовый курс

13.07.26 TIA Portal. Контроллеры SIMATIC S7-1200/1500. Базовый курс

03.08.26 Контроллеры SIMATIC S7-300/400. Базовый курс

24.08.26 REGUL. Контроллеры. Базовый курс

31.08.26 Человеко-машинный интерфейс на продуктах Альфа платформы

28.09.26 Человеко-машинный интерфейс WinCC. Базовый курс

05.10.26 Человеко-машинный интерфейс WinCC. Расширенный курс

12.10.26 Контроллеры SIMATIC S7-300/400. Базовый курс

19.10.26 Контроллеры SIMATIC S7-300/400. Расширенный курс

26.10.26 Человеко-машинный интерфейс на продуктах Альфа платформы

09.11.26 TIA Portal. Контроллеры SIMATIC S7-1200/1500. Базовый курс

16.11.26 TIA Portal. Контроллеры SIMATIC S7-1200/1500. Расширенный курс

23.11.26 Человеко-машинный интерфейс на продуктах Альфа платформы

30.11.26 REGUL. Контроллеры. Базовый курс

07.12.26 WinCC OA. Базовый курс

 
 
 
   
 
© 2009-2026, Институт промышленной автоматизации,  группа компаний СМС-Автоматизация